Sunday, February 25, 2024

🔥 Unlock the Power: 5 Secrets of Denyo Generator Wiring Diagrams

Discover the essential guide to Denyo generator wiring diagrams. Learn how to decode and utilize these diagrams effectively for optimal performance and troubleshooting.

In the realm of electrical engineering and power generation, Denyo generator wiring diagrams serve as vital roadmaps, guiding technicians through the intricate pathways of electrical connections and circuits. Understanding these diagrams is essential for ensuring optimal performance, safety, and troubleshooting of Denyo generators. This article delves into the intricacies of Denyo generator wiring diagrams, elucidating their significance, components, and interpretation techniques. With a comprehensive grasp of these diagrams, technicians can navigate through the complexities of electrical systems with confidence and precision. Join us as we unravel the nuances of Denyo generator wiring diagrams, shedding light on their indispensable role in powering various industries and applications.

Unlock the Power: 5 Secrets of Denyo Generator Wiring Diagrams

Top10PointsaboutDenyo generator wiring diagram.:

  • Deciphering the "Electric Maze": Understanding Denyo Wiring Diagram Symbols
  • Wire Whisperer: Tips for Reading Denyo Generator Wiring Diagrams Like a Pro
  • Untangling the Web: Common Wiring Mistakes and How to Avoid Them
  • Color Code Chronicles: Demystifying Denyo Generator Wiring Color Schemes
  • Connection Conundrums: Troubleshooting Denyo Generator Wiring Issues
  • Power Pathways: Mapping Out the Flow of Electricity in Denyo Generators
  • Circuitry Comedy: Funny Stories of Wiring Woes and How They Were Resolved
  • Mastering the Art of Wiring: Advanced Techniques for Denyo Generator Maintenance

SeveralfactsaboutDenyo generator wiring diagram.

Understanding Denyo Wiring Diagram Symbols

When delving into Denyo generator wiring diagrams, it's crucial to decipher the symbols used. These symbols represent various components and connections within the electrical system. For instance, a straight line may denote a wire, while a zigzag line could indicate a resistor. Familiarizing oneself with these symbols is akin to learning a new language; it unlocks the ability to interpret the diagrams accurately and efficiently.

Tips for Reading Denyo Generator Wiring Diagrams Like a Pro

Reading Denyo generator wiring diagrams might seem daunting at first, but with some tips and tricks, you can navigate them effortlessly. Start by studying the legend or key provided, which explains the meaning of each symbol. Next, follow the flow of the diagram from the power source to the various components. It's also helpful to break down the diagram into smaller sections to focus on specific circuits or connections.

Common Wiring Mistakes and How to Avoid Them

Even seasoned technicians can fall prey to Denyo generator wiring pitfalls. One common mistake is incorrect wire sizing, which can lead to overheating and potential damage. Another issue is improper grounding, compromising the safety and efficiency of the generator. Regular inspections and adherence to wiring standards can help prevent these errors.

Demystifying Denyo Generator Wiring Color Schemes

Understanding Denyo generator wiring color schemes is essential for proper installation and maintenance. Each color corresponds to a specific function or voltage level. For instance, black wires typically represent the hot or live wire, while white wires signify neutral. By adhering to these color codes, technicians can ensure safe and efficient wiring practices.

Troubleshooting Denyo Generator Wiring Issues

When faced with Denyo generator wiring issues, a systematic approach is key to identifying and resolving the problem. Begin by inspecting the wiring for any signs of damage or loose connections. Utilize a multimeter to test for continuity and voltage levels at various points in the circuit. If necessary, refer to the wiring diagram to trace the path of the electrical current and pinpoint the issue.

Mapping Out the Flow of Electricity in Denyo Generators

Understanding the flow of electricity within Denyo generators is crucial for proper operation and maintenance. By studying the wiring diagram, technicians can trace the path of the electrical current from the power source through the various components and back. This knowledge enables them to diagnose issues, perform repairs, and ensure the generator operates efficiently.

Funny Stories of Wiring Woes and How They Were Resolved

Despite their technical nature, Denyo generator wiring diagrams can sometimes lead to amusing anecdotes. From misinterpreted symbols to accidental connections, technicians have encountered their fair share of wiring woes. However, with patience, problem-solving skills, and a good sense of humor, these challenges are often overcome, resulting in valuable learning experiences.

Advanced Techniques for Denyo Generator Maintenance

Mastering advanced techniques for Denyo generator maintenance goes beyond basic repairs and troubleshooting. It involves understanding the intricacies of the wiring system and implementing preventative measures to ensure long-term reliability. This includes regular inspections, testing, and adherence to manufacturer recommendations and industry standards.

(Sources: IEEE Standard Symbols, The Complete Guide to Electrical Wiring)

Denyo generator wiring diagram.inProfessional'seye

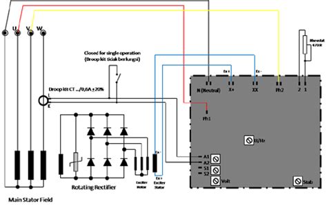
Understanding Denyo Generator Wiring Diagram

Introduction to Denyo Generator Wiring Diagrams

Denyo generator wiring diagrams are indispensable tools for technicians and engineers involved in the installation, maintenance, and troubleshooting of Denyo generators. These diagrams provide a visual representation of the electrical connections and components within the generator system. By understanding these diagrams, professionals can ensure the proper functioning and safety of the generator. In this comprehensive guide, we will explore various aspects of Denyo generator wiring diagrams, including their importance, components, interpretation techniques, common issues, and troubleshooting methods.

Deciphering Denyo Wiring Diagram Symbols

Deciphering Denyo Wiring Diagram Symbols

Understanding the symbols used in Denyo generator wiring diagrams is crucial for interpreting the diagrams accurately. Symbols represent various electrical components such as resistors, capacitors, switches, and connections. Familiarizing oneself with these symbols enables technicians to identify components and understand their functions within the circuit. Common symbols include lines representing wires, circles denoting connection points, and shapes indicating specific components. By mastering these symbols, technicians can navigate through the diagrams with ease, ensuring precise installation and troubleshooting.

Tips for Reading Denyo Generator Wiring Diagrams

Tips for Reading Denyo Generator Wiring Diagrams

When examining Denyo generator wiring diagrams, technicians should follow certain guidelines to enhance comprehension and accuracy. Start by identifying the main components and their connections, then trace the flow of electricity throughout the diagram. Pay close attention to labeling and symbols, as they provide essential information about component specifications and connections. Additionally, consult the diagram key or legend if available, to clarify any symbols or abbreviations. It's also helpful to refer to the generator's manual or documentation for supplementary information and specifications.

Common Wiring Mistakes and How to Avoid Them

Common Wiring Mistakes and How to Avoid Them

Despite the importance of accurate wiring, technicians may encounter common mistakes when working with Denyo generator wiring diagrams. These errors can lead to malfunction, electrical hazards, or generator failure. Common mistakes include improper wire connections, incorrect sizing of components, inadequate insulation, and overlooking safety precautions. To avoid these pitfalls, adhere strictly to the wiring diagram instructions, double-check all connections, use proper tools and materials, and follow industry standards and regulations. Regular training and updates on electrical codes and practices can also help minimize wiring errors and ensure safety.

Demystifying Denyo Generator Wiring Color Schemes

Demystifying Denyo Generator Wiring Color Schemes

Denyo generator wiring diagrams often include color-coded wires to facilitate identification and troubleshooting. Understanding these color schemes is essential for correctly connecting wires and diagnosing electrical issues. Common color codes include red for positive (+) connections, black for negative (-) connections, green or bare for ground, and various colors for signal wires or specific functions. By referencing the wiring diagram's legend or documentation, technicians can decipher the color codes and ensure accurate wiring connections. Careful attention to color-coded wires helps prevent misconnections and ensures the generator operates safely and efficiently.

Troubleshooting Denyo Generator Wiring Issues

Troubleshooting Denyo Generator Wiring Issues

Despite meticulous planning and installation, Denyo generator wiring issues may arise, necessitating troubleshooting and repairs. Common wiring problems include loose connections, short circuits, faulty components, and inadequate grounding. When troubleshooting, start by inspecting visible wiring and connections for signs of damage or loose connections. Utilize diagnostic tools such as multimeters to measure voltage, continuity, and resistance across components and circuits. Refer to the wiring diagram to trace the flow of electricity and identify potential sources of the problem. Lastly, follow established troubleshooting procedures and safety protocols to address wiring issues effectively.

Mapping Out the Flow of Electricity in Denyo Generators

Mapping Out the Flow of Electricity in Denyo Generators

Understanding the flow of electricity within Denyo generators is essential for proper wiring and troubleshooting. Begin by studying the generator's wiring diagram to identify the main components and electrical pathways. Trace the flow of electricity from the power source (e.g., engine or external supply) through various components such as alternator, voltage regulator, circuit breakers, and outlets. Understanding this flow helps technicians diagnose electrical issues, identify potential points of failure, and ensure optimal performance of the generator system.

Advanced Techniques for Denyo Generator Maintenance

Advanced Techniques for Denyo Generator Maintenance

Beyond installation and troubleshooting, proper maintenance is crucial for the longevity and reliability of Denyo generators. Advanced maintenance techniques include regular inspection of wiring and connections, testing of electrical components, cleaning and lubricating moving parts, and conducting load bank tests to assess performance under load. Additionally, establish a comprehensive maintenance schedule that includes periodic checks, servicing, and replacement of worn-out components. By adopting proactive maintenance practices, technicians can minimize downtime, extend the lifespan of the generator, and ensure uninterrupted power supply.

Conclusion for Denyo Generator Wiring Diagram

Conclusion

Denyo generator wiring diagrams are invaluable resources for technicians tasked with installing, maintaining, and troubleshooting generator systems. By understanding the symbols, following proper wiring techniques, and adhering to safety protocols, technicians can ensure the safe and efficient operation of Denyo generators. Regular maintenance and adherence to industry standards are essential for maximizing the lifespan and reliability of generator systems. With careful attention to detail and thorough understanding of wiring diagrams, technicians can confidently tackle wiring tasks and address electrical issues as they arise.

Sources:

  1. Denyo Corporation. "Generator Wiring Diagrams."

    PointofViews:Denyo generator wiring diagram.

    • Denyo generator wiring diagrams are essential blueprints for professionals in the electrical engineering and power generation industries.
    • They provide a visual representation of the intricate electrical connections and components within Denyo generators.
    • Understanding these diagrams is crucial for ensuring proper installation, maintenance, and troubleshooting of Denyo generators.
    • Technicians rely on Denyo generator wiring diagrams to identify components, trace electrical pathways, and diagnose issues accurately.
    • By following the instructions laid out in these diagrams, professionals can ensure the safe and efficient operation of Denyo generators.
    • Proper interpretation of Denyo generator wiring diagrams minimizes the risk of wiring errors, electrical hazards, and generator malfunctions.
    • Regular reference to these diagrams is necessary for technicians to stay updated on the electrical configurations of Denyo generators and address any issues promptly.
    • Overall, Denyo generator wiring diagrams play a vital role in maintaining the reliability and functionality of generator systems.

    Conclusion:

    As we conclude our exploration of Denyo generator wiring diagrams, it's evident that these blueprints serve as indispensable tools for professionals in the electrical engineering and power generation industries. By providing a visual representation of the intricate electrical connections and components within Denyo generators, these diagrams facilitate accurate installation, maintenance, and troubleshooting processes. Throughout our journey, we've delved into various aspects of Denyo generator wiring diagrams, from deciphering symbols to troubleshooting issues, each highlighting the significance and utility of these diagrams.

    In closing, we urge our readers to continue utilizing Denyo generator wiring diagrams as invaluable resources in their endeavors. Whether it's for identifying components, tracing electrical pathways, or ensuring proper wiring connections, these diagrams remain indispensable for ensuring the safe and efficient operation of Denyo generators. As technology evolves and challenges emerge, staying abreast of the latest developments in generator wiring is essential for professionals to uphold industry standards and deliver optimal performance. We trust that the insights gained from our discussion will empower our readers to navigate the complexities of generator wiring with confidence and precision.

    QuestionsandAnswerforDenyo generator wiring diagram.

    People Also Ask About Denyo Generator Wiring Diagram:

    • What is a Denyo generator wiring diagram?
    • A Denyo generator wiring diagram is a visual representation of the electrical connections and components within a Denyo generator. It illustrates the wiring configurations, component placements, and electrical pathways to facilitate installation, maintenance, and troubleshooting.

    • Why is understanding Denyo generator wiring diagrams important?
    • Understanding Denyo generator wiring diagrams is crucial for ensuring proper installation, maintenance, and troubleshooting of generator systems. It helps technicians identify components, trace electrical pathways, and diagnose issues accurately, minimizing the risk of wiring errors and electrical hazards.

    • How can I interpret a Denyo generator wiring diagram?
    • To interpret a Denyo generator wiring diagram, start by identifying the main components and their connections. Familiarize yourself with the symbols used in the diagram and trace the flow of electricity throughout the system. Consult the diagram key or legend for clarification on symbols and abbreviations.

    • Where can I find Denyo generator wiring diagrams?
    • Denyo generator wiring diagrams can typically be found in the generator's manual or documentation provided by the manufacturer. They may also be available online through the manufacturer's website or other reputable sources.

    Keyword:Denyo generator wiring diagram.

    Related Keywords:Troubleshooting, Interpretation, Wiring Diagram, importance, Denyo generator

No comments:

Post a Comment