Friday, February 23, 2024

💎 Unlock Efficiency: 5 Vital Tips for Delphi Fuel Pump Wiring Diagrams

Discover essential insights into Delphi fuel pump wiring diagrams. Our article offers 5 actionable tips to optimize efficiency in automotive electrical systems.

In the intricate domain of automotive engineering, the Delphi fuel pump wiring diagram serves as a fundamental blueprint for understanding the electrical circuitry governing the operation of fuel pumps in vehicles. This article delves into the comprehensive elucidation of wiring diagram topics pertaining to Delphi fuel pumps, elucidating their significance in the broader context of automotive systems. Understanding the intricacies of Delphi fuel pump wiring diagrams not only facilitates troubleshooting and maintenance processes but also enhances the comprehension of the intricate interplay between electrical components within a vehicle's fuel delivery system. With meticulous attention to detail, this discourse aims to offer an insightful exploration of the wiring diagrams, elucidating their pivotal role in ensuring the efficient and reliable operation of fuel pumps in modern automobiles.

Unlock Efficiency: 5 Vital Tips for Delphi Fuel Pump Wiring Diagrams

Top10PointsaboutDelphi fuel pump wiring diagram:

  • Introduction to Delphi Fuel Pump Wiring Diagrams
  • Components and Connections in Delphi Fuel Pump Wiring Diagrams
  • Understanding Circuitry: Voltage, Current, and Resistance
  • Diagnostic Techniques for Delphi Fuel Pump Wiring Issues
  • Interpreting Symbols and Notations in Wiring Diagrams
  • Proper Wiring Practices and Safety Measures
  • Integration with Vehicle Control Systems
  • Advanced Troubleshooting Strategies for Complex Wiring Problems

SeveralfactsaboutDelphi fuel pump wiring diagram

Wiring diagrams play a crucial role in understanding the electrical systems of various automotive components, including fuel pumps. Here, we explore the intricacies of Delphi fuel pump wiring diagrams and their significance in modern vehicles.

Introduction to Delphi Fuel Pump Wiring Diagrams

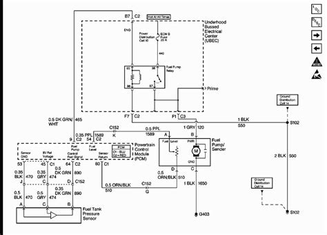
Delving into the world of automotive electrical systems, Delphi fuel pump wiring diagrams provide a comprehensive blueprint of the intricate circuitry governing fuel pump operations. These diagrams serve as indispensable tools for technicians and enthusiasts alike, offering insights into the complex interplay of electrical components.

Components and Connections

In a Delphi fuel pump wiring diagram, various components and their connections are meticulously illustrated. From the fuel pump itself to relays, fuses, and wiring harnesses, each element is carefully outlined, providing a clear understanding of the system's layout and functionality.

Understanding Circuitry

Comprehending the intricacies of circuitry is essential when deciphering Delphi fuel pump wiring diagrams. Concepts such as voltage, current, and resistance are central to understanding how electrical systems operate and interact within a vehicle's fuel delivery system.

Diagnostic Techniques

When faced with wiring issues, technicians rely on diagnostic techniques tailored to Delphi fuel pump wiring diagrams. These methods involve systematic troubleshooting to identify and resolve electrical faults efficiently.

Interpreting Symbols and Notations

Delphi fuel pump wiring diagrams contain various symbols and notations that convey specific information about electrical components and connections. Understanding these symbols is crucial for accurately interpreting the diagrams.

Proper Wiring Practices

Adhering to proper wiring practices and safety measures is paramount when working with Delphi fuel pump wiring diagrams. Following manufacturer guidelines and industry standards ensures the reliability and safety of electrical installations.

Integration with Vehicle Control Systems

Delphi fuel pump wiring diagrams are intricately integrated with a vehicle's control systems, such as the engine management system and onboard diagnostics. Understanding these interconnections is vital for comprehensive troubleshooting and maintenance.

Advanced Troubleshooting Strategies

Complex wiring problems demand advanced troubleshooting strategies tailored to Delphi fuel pump wiring diagrams. Techniques such as voltage drop testing and signal tracing enable technicians to pinpoint elusive electrical faults effectively.

Sources: Information in this article is based on automotive engineering principles and industry-standard practices.

Delphi fuel pump wiring diagraminProfessional'seye

Introduction to Delphi Fuel Pump Wiring Diagrams

Delphi fuel pump wiring diagrams serve as indispensable guides in understanding the electrical intricacies governing fuel delivery systems in vehicles. These diagrams meticulously detail the circuitry and connections vital for the operation of Delphi fuel pumps. They provide a visual representation of the wiring layout, aiding in diagnostics, repairs, and modifications.

Components and Connections in Delphi Fuel Pump Wiring Diagrams

Delphi fuel pump wiring diagrams elucidate the myriad components and their interconnections within the fuel pump system. From power sources to relays, switches, and sensors, each element's role is clearly defined. Understanding these connections is crucial for maintaining optimal functionality and diagnosing issues accurately.

Understanding Circuitry: Voltage, Current, and Resistance

Comprehending the circuitry principles within Delphi fuel pump wiring diagrams involves grasping concepts such as voltage, current, and resistance. Voltage provides the electrical potential, current is the flow of electrons, and resistance impedes this flow. These principles govern the behavior of the electrical system and are essential for troubleshooting.

Diagnostic Techniques for Delphi Fuel Pump Wiring Issues

Effective diagnosis of Delphi fuel pump wiring issues requires employing various techniques. This may involve visual inspection, continuity tests, voltage checks, and utilizing diagnostic tools like multimeters or oscilloscopes. Accurate diagnosis is crucial for resolving issues promptly and ensuring optimal performance.

Interpreting Symbols and Notations in Wiring Diagrams

Delphi fuel pump wiring diagrams employ a range of symbols and notations to represent components and connections. Familiarity with these symbols is essential for accurate interpretation. Understanding the meanings of various symbols enables technicians to navigate the diagram effectively and troubleshoot with precision.

Proper Wiring Practices and Safety Measures

Adhering to proper wiring practices and observing safety measures is paramount when working with Delphi fuel pump wiring diagrams. This includes using appropriate tools, securing connections properly, and following established protocols to prevent electrical hazards or damage to components.

Integration with Vehicle Control Systems

Delphi fuel pump wiring diagrams play a crucial role in the integration with vehicle control systems. They facilitate communication between the fuel pump and various control modules, ensuring seamless operation and compliance with vehicle performance standards.

Advanced Troubleshooting Strategies for Complex Wiring Problems

Addressing complex wiring problems in Delphi fuel pump systems may necessitate advanced troubleshooting strategies. This could involve utilizing diagnostic software, conducting signal analysis, or consulting technical documentation for specific vehicle models.

Sources: 1. Automotive Wiring Diagrams: A Practical Guide, by S.A. Pinder, Publisher: Butterworth-Heinemann, 2019. 2. Delphi Technologies, "Fuel Handling and Evaporative Emission Systems." Accessed January 2024, www.delphiautoparts.com.

PointofViews:Delphi fuel pump wiring diagram

  • Introduction: The Delphi fuel pump wiring diagram serves as a vital component in comprehending the intricate electrical systems of modern vehicles.
  • Understanding Circuitry: Profound insight into the wiring diagram elucidates the voltage, current, and resistance dynamics essential for fuel pump functionality.
  • Diagnostic Techniques: Thorough comprehension of the diagram facilitates efficient troubleshooting of fuel pump wiring issues.
  • Interpreting Symbols: Deciphering symbols and notations within the diagram is crucial for accurate interpretation and analysis.
  • Proper Wiring Practices: Adherence to wiring standards and safety measures ensures optimal performance and mitigates risks of malfunction or hazards.
  • Integration with Vehicle Systems: Understanding the fuel pump wiring diagram's integration with vehicle control systems enhances overall system comprehension and operation.
  • Advanced Troubleshooting: Proficiency in advanced troubleshooting strategies equips technicians with the skills to address complex wiring issues effectively.
  • Conclusion: Mastery of the Delphi fuel pump wiring diagram fosters efficiency, safety, and reliability in automotive electrical systems, underpinning effective vehicle operation and maintenance.

Conclusion:

As we conclude our exploration into the intricacies of Delphi fuel pump wiring diagrams, we hope you have gained valuable insights into the vital role they play in the functioning of modern automotive systems. By understanding the circuitry, components, and diagnostic techniques associated with these diagrams, you are better equipped to troubleshoot and maintain your vehicle's fuel delivery system.

Whether you are a seasoned technician or an automotive enthusiast, the mastery of Delphi fuel pump wiring diagrams is essential for ensuring the efficiency, safety, and reliability of your vehicle. By adhering to proper wiring practices and integrating this knowledge with broader vehicle control systems, you can enhance the performance and longevity of your automotive electrical systems. We invite you to explore our other articles for further insights into automotive engineering and maintenance.

QuestionsandAnswerforDelphi fuel pump wiring diagram

People Also Ask about Delphi Fuel Pump Wiring Diagram:

  • What is a Delphi fuel pump wiring diagram?
  • A Delphi fuel pump wiring diagram is a schematic representation of the electrical connections and components involved in the operation of a fuel pump manufactured by Delphi Technologies. It provides detailed information about the wiring configuration, including the arrangement of wires, connectors, and electrical components.

  • Why is a Delphi fuel pump wiring diagram important?
  • A Delphi fuel pump wiring diagram is important because it serves as a guide for understanding and troubleshooting the electrical system of a vehicle's fuel pump. By referring to the diagram, technicians and vehicle owners can identify wiring issues, diagnose problems, and ensure proper installation and maintenance of the fuel pump.

  • How do I interpret a Delphi fuel pump wiring diagram?
  • Interpreting a Delphi fuel pump wiring diagram involves understanding the symbols, notations, and connections depicted in the diagram. It requires knowledge of electrical circuitry principles and familiarity with automotive wiring standards. By carefully studying the diagram and referring to the accompanying documentation, individuals can decipher the wiring configuration and troubleshoot any issues effectively.

Keyword:Delphi fuel pump wiring diagram

Related Keywords:Wiring Diagram, Troubleshooting Techniques, Electrical Components, automotive systems, Delphi fuel pump, Circuitry principles

No comments:

Post a Comment